- Why Some Historical Figures Became More Famous After Their Death - October 21, 2025
- The Psychology Behind Why We Romanticize Certain Historical Periods - October 21, 2025
- How Technological Limitations Actually Improved Classic Recordings - October 21, 2025
Mary Dixon Kies: The Pioneer Who Broke the Patent Barrier
In 1809, history was made when Mary Dixon Kies became the first woman to receive a U.S. patent in her own name, with her patent signed by President James Madison on May 5, 1809. Her revolutionary invention wasn’t just a simple craft project—it was a sophisticated process for weaving straw with silk that transformed the entire New England hat industry.
The straw-weaving industry filled a crucial gap during the Napoleonic Wars embargo, with over $500,000 worth of straw bonnets produced in Massachusetts alone in 1810, equivalent to $4.7 million in today’s money. Born in 1752 in Killingly, Connecticut, Kies’ method of using silk instead of straws in the seam made the hats sturdier by holding the cross-hatching together. First Lady Dolley Madison was so impressed she sent a letter praising Kies for her invention. Sadly, Kies died penniless in Brooklyn in 1837 at age 85, unable to profit from her groundbreaking innovation. Her legacy lives on as she was inducted into the National Inventors Hall of Fame in 2006.
Lewis Latimer: The Genius Who Made Light Bulbs Practical

While Thomas Edison gets credit for inventing the light bulb, Lewis Latimer made the major contribution that made electric lighting practical by inventing a longer-lasting carbon filament and filing a patent for the process in September 1881. Edison’s light bulb used a carbonized bamboo filament that burnt out quickly, but Latimer created a way to make the carbon filament more durable by encasing it in cardboard.
Latimer’s design produced a carbon filament that was more durable and longer lasting than earlier filaments, making incandescent light bulbs affordable to more consumers. Born in 1848 to parents who escaped slavery, Latimer taught himself mechanical drawing in the military and was later hired as an “office boy” at a patent law firm because of his exceptional intellect. He was so talented that his pay increased from $3 to $20 per week by 1872, equivalent to jumping from $54.53 to $485.70 per week in 2022 dollars. While at Edison, Latimer wrote the first book on electric lighting, entitled “Incandescent Electric Lighting” (1890), and supervised the installation of public electric lights throughout New York, Philadelphia, Montreal, and London.
Garrett Morgan: The Safety Pioneer Who Saved Lives

Garrett Morgan’s inventions literally saved thousands of lives through his revolutionary safety hood and traffic signal. Morgan found motivation to develop his safety hood after learning about the devastating Triangle Shirtwaist Co. fire that killed 146 garment workers in New York City in 1911. In 1914, he patented his smoke hood design, also known as a ‘breathing device’, and launched the National Safety Device Company.
Morgan knew carbon monoxide tends to linger at roughly the level of a standing person’s head, whereas cleaner air hovers closer to the feet, so he designed his device to draw air through a long tube that hung near the ground like a tail. In 1916, Morgan rescued workers trapped in a water intake tunnel 50 feet beneath Lake Erie, using the smoke hood to protect against smoke and gases. Despite his invention’s lifesaving potential, Morgan found difficulty selling his safety hood to white fire chiefs, so he hired white actors to promote the product at conventions and called his device the “Morgan Safety Hood.” In 1923, Morgan designed a traffic signal after witnessing a horrible crash at an intersection, eventually selling the rights to General Electric for $40,000.
Margaret Knight: The Woman Who Revolutionized Paper Bags
Margaret Knight transformed the packaging industry with her ingenious paper bag machine that created flat-bottom bags in 1867. Born in 1838, Knight was just 12 years old when she witnessed a serious accident at a textile mill and invented her first safety device. Her paper bag machine was so revolutionary that it sparked a legal battle when a man tried to steal her design, claiming a woman couldn’t possibly have invented such a complex machine.
Knight’s flat-bottom paper bags were far superior to the envelope-style bags that were standard at the time. Her invention made grocery shopping and packaging much more practical and efficient. Throughout her lifetime, she received over 20 patents for various inventions, earning her the nickname “Lady Edison.” Her paper bag machine became the foundation for modern packaging, and variations of her design are still used today in grocery stores worldwide.
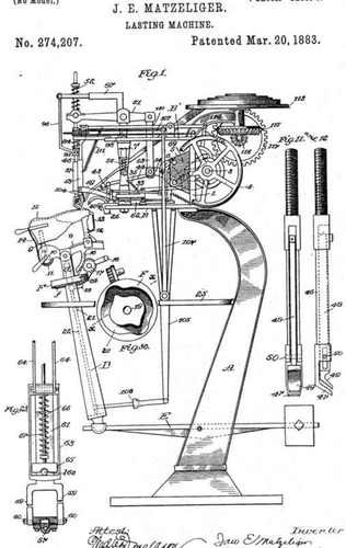
Jan Matzeliger: The Revolutionary Who Automated Shoe Production

Jan Matzeliger transformed the entire shoe industry with his lasting machine invention in 1883. Born in Dutch Guiana (now Suriname) in 1852, Matzeliger came to the United States where he worked in a shoe factory in Lynn, Massachusetts. He observed that the most skilled and time-consuming part of shoemaking was attaching the upper part of the shoe to the sole, a process that could only be done by hand.
Matzeliger spent years perfecting his lasting machine, which could perform the intricate work of attaching the shoe upper to the sole mechanically. His invention was so complex that it took him several attempts to get a patent, as patent officials couldn’t understand how the machine worked from his drawings. Once operational, his machine could produce 150 to 700 pairs of shoes per day, compared to the 50 pairs a skilled craftsman could make by hand. This innovation dramatically reduced the cost of shoes, making them affordable for ordinary people and revolutionizing the footwear industry.
Josephine Cochrane: The Dishwasher Pioneer Who Changed Kitchens

Josephine Cochrane invented the first practical dishwasher in 1886, though it took decades before her invention became a common household appliance. Born in 1839 to wealthy parents, Cochrane was frustrated with her servants chipping her fine china while washing dishes. She decided to create a machine that would clean dishes without breaking them.
Cochrane’s dishwasher used water pressure to clean dishes, which were held in wire compartments inside a copper boiler. Her design was so effective that she won first prize at the 1893 World’s Fair in Chicago. Initially, her dishwashers were too expensive for most households, so she focused on selling them to restaurants and hotels. The Cochrane Dishwasher Company eventually became part of KitchenAid, and her invention evolved into the modern dishwasher that millions of people use today.
Lonnie Johnson: The NASA Engineer Behind the Super Soaker

Lonnie Johnson, born in 1949, created one of the most successful toys in history while working as a NASA engineer. The Super Soaker water gun, invented in 1982, became a cultural phenomenon and one of the best-selling toys of all time. Johnson’s background in nuclear engineering and his work on space missions for NASA gave him the technical expertise to create the high-performance water gun.
Johnson was working on a heat pump design when he accidentally created a powerful water stream that inspired the Super Soaker concept. His toy generated over $1 billion in sales and dominated the water gun market for decades. Beyond toys, Johnson has over 120 patents and has worked on advanced battery technology, solar energy systems, and space exploration projects. His success with the Super Soaker funded his continued research into energy technology and space applications.
Benjamin Bradley: The Enslaved Engineer Who Built Steam Engines
Benjamin Bradley, born around 1830, was an enslaved person who demonstrated extraordinary mechanical genius by building a functioning steam engine for ships. Despite being denied education and legal recognition, Bradley taught himself engineering principles and constructed a small steam engine that could power a warship. His achievement was remarkable considering the limited resources and hostile environment he worked in.
Bradley’s steam engine was so impressive that the U.S. Navy purchased it and used his design in their vessels. However, because he was enslaved, he couldn’t legally own a patent for his invention. Instead, the patent was filed under his master’s name. Bradley’s story highlights the countless contributions of enslaved inventors whose innovations shaped American industry but received no recognition or compensation for their genius.
Willis Carrier: The Man Who Air-Conditioned the World

Willis Carrier invented modern air conditioning in 1902, fundamentally changing global architecture, labor productivity, and human comfort. Born in 1876, Carrier was a recent college graduate working at a heating company when he was asked to solve a humidity problem at a Brooklyn printing plant. His solution involved controlling both temperature and humidity using coils, creating the first modern air conditioning system.
Carrier’s invention transformed not just buildings but entire regions. The American South experienced massive population growth and economic development after air conditioning made hot climates livable year-round. His innovation enabled the construction of skyscrapers, revolutionized manufacturing processes, and made hot climates habitable for millions of people. The global impact of air conditioning cannot be overstated—it reshaped demographics, economics, and daily life around the world.
Ada Lovelace: The World’s First Computer Programmer

Ada Lovelace, born in 1815, wrote the first computer algorithm a century before computers existed. The daughter of poet Lord Byron, Lovelace combined her mother’s mathematical training with her father’s creative imagination to envision the potential of Charles Babbage’s Analytical Engine. Her notes on the machine included what many consider the first computer program.
Lovelace’s most remarkable insight was recognizing that machines could do more than just calculate—they could manipulate symbols and create art, music, and literature. Her vision of programmable machines processing any type of information was revolutionary and wouldn’t be fully realized until the digital age. She understood that computers could be general-purpose machines, not just calculators, a concept that was far ahead of her time and laid the groundwork for modern computing.
Charles Babbage: The Father of the Computer

Charles Babbage, born in 1791, conceptualized the first mechanical computer with his Analytical Engine, laying the groundwork for all digital machines. Frustrated with mathematical errors in calculation tables, Babbage first created the Difference Engine to automatically compute mathematical functions. His later Analytical Engine was even more revolutionary—it featured a mill (processor), store (memory), and punch card programming.
Babbage’s Analytical Engine possessed all the fundamental elements of a modern computer: input devices, memory, a central processing unit, and output devices. Although he never completed construction due to the technological limitations of his era, his detailed designs proved the machine would have worked. His collaboration with Ada Lovelace produced the theoretical foundation for computer programming, making him the intellectual father of the computer age.
Beulah Louise Henry: The Prolific “Lady Edison”

Catalog: https://lccn.loc.gov/2016888541
Image download: https://cdn.loc.gov/service/pnp/hec/34600/34627v.jpg
Original url: https://www.loc.gov/pictures/item/2016888541/, Public domain, https://commons.wikimedia.org/w/index.php?curid=67804850)
Beulah Louise Henry, born in 1887, earned the nickname “Lady Edison” by securing over 49 patents and creating more than 110 inventions throughout her career. Her innovations primarily focused on improving office equipment and sewing devices, making everyday tasks more efficient for millions of people. Henry’s inventions included improvements to typewriters, vacuum cleaners, and various mechanical devices.
One of Henry’s most significant contributions was her work on multiple-copy typewriters, which allowed typists to produce several copies of a document simultaneously. Her sewing machine improvements included automatic threading and tension control mechanisms that made sewing more accessible to home users. Henry’s prolific output and practical innovations earned her recognition as one of the most productive female inventors of the early 20th century, though many of her contributions remain largely unknown to the general public.
Elijah McCoy: The Real McCoy Behind Railroad Efficiency

Elijah McCoy, born in 1844 to escaped slaves, revolutionized railroad and factory efficiency with his automatic lubricator for engines. Trained as a mechanical engineer in Scotland, McCoy faced racial discrimination that prevented him from working as an engineer in the United States. Instead, he worked as a fireman and oilman on the Michigan Central Railroad, where he identified a critical problem.
McCoy’s automatic lubricator allowed engines to be oiled while running, eliminating the need for frequent stops that disrupted schedules and reduced efficiency. His device was so superior that railroad purchasers would specify they wanted “the real McCoy,” giving rise to the famous phrase meaning “the genuine article.” McCoy eventually received 57 patents for various mechanical devices, and his lubrication systems became standard equipment on railroads and in factories across America.
Stephanie Kwolek: The Chemist Who Created Bulletproof Vests

Stephanie Kwolek, born in 1923, invented Kevlar in 1965, a polymer that has saved thousands of lives in bulletproof vests and other protective equipment. Working as a chemist at DuPont, Kwolek was researching lightweight fibers for tire reinforcement when she discovered an unusual cloudy polymer solution that other researchers might have discarded. Her scientific curiosity led her to spin this “defective” material into fiber.
The resulting fiber was five times stronger than steel by weight and became known as Kevlar. Kwolek’s invention found applications far beyond bulletproof vests—it’s used in aircraft, spacecraft, boats, automotive parts, and protective equipment for firefighters and military personnel. Her polymer research earned her numerous awards and recognition as one of the most important chemists of the 20th century, though she remained humble about her life-saving discovery.
Richard Spikes: The Innovator Behind Automatic Transmissions

Richard Spikes, born in 1878, created numerous inventions that improved automobile safety and hospitality industry efficiency. His most significant contribution was the automatic gear shift, which made driving more accessible and safer by eliminating the need for manual clutch operation. Spikes received patents for this innovation in the early 1930s, though his design wasn’t widely adopted until decades later.
Spikes also invented the beer tapper, which revolutionized bar service by allowing bartenders to serve beer more efficiently and with less waste. His other inventions included improvements to automobile brakes, a milk bottle opener, and various mechanical devices. Despite facing racial discrimination that limited his business opportunities, Spikes persevered and contributed significantly to automotive and hospitality technology throughout his career.
Ann Tsukamoto: The Stem Cell Pioneer

Ann Tsukamoto, born in 1952, co-invented the process for isolating human stem cells, making her one of the most important figures in modern medical research. Her work at SyStemix Inc. in the 1990s led to the first successful isolation of human hematopoietic stem cells, which are crucial for understanding blood disorders and developing cancer treatments. This breakthrough opened entirely new avenues for regenerative medicine.
Tsukamoto’s stem cell isolation method has become fundamental to cancer research, bone marrow transplantation, and the development of new therapies for blood-related diseases. Her work has contributed to treatments for leukemia, lymphoma, and other cancers, potentially saving thousands of lives. As a Japanese-American scientist, she has also been an advocate for diversity in STEM fields and has mentored numerous researchers throughout her career.
Dr. Shirley Jackson: The Physicist Behind Modern Telecommunications

Dr. Shirley Jackson, born in 1946, became the first African-American woman to earn a PhD from MIT and conducted groundbreaking research that led to the development of caller ID, fiber optic cables, and other telecommunications technologies. Her theoretical physics work at Bell Laboratories in the 1970s and 1980s provided the foundation for many modern communication systems.
Jackson’s research on the electronic and optical properties of materials became crucial for developing touch-tone phones, fiber optic cables, solar cells, and the technology behind caller ID and call waiting. Her work has had enormous impact on modern life, enabling the telecommunications revolution that makes smartphones, internet communications, and digital technology possible. She later became president of Rensselaer Polytechnic Institute, where she continued to advance scientific research and education.
Frank Zybach: The Irrigation Revolutionary
Frank Zybach, born in 1894, invented the center pivot irrigation system in 1949, revolutionizing global agriculture and dramatically improving water efficiency. His system uses a series of pipes and sprinklers that rotate around a central point, automatically watering crops in a circular pattern. This innovation transformed farming in arid regions and made it possible to cultivate previously unusable land.
Zybach’s irrigation system enabled farmers to water large areas efficiently with minimal labor, making agriculture more productive and profitable. His invention has been particularly important in developing countries where water scarcity is a major challenge. The center pivot system is now used worldwide and has contributed to increased food production that helps feed the global population. Modern versions of his design continue to be essential tools for sustainable agriculture.
Norbert Rillieux: The Sugar Refining Pioneer

Norbert Rillieux, born in 1806, revolutionized sugar processing with his multiple-effect evaporator, making sugar production safer, more efficient, and less expensive. Born in New Orleans to a white plantation owner father and enslaved mother, Rillieux received an excellent education in France, where he studied engineering and became an expert in thermodynamics and steam engines.
Rillieux’s evaporator system used a series of vacuum pans that reused heat from previous stages, dramatically reducing the fuel needed for sugar refining. His innovation made sugar processing much safer by eliminating the dangerous open-kettle method that had caused numerous accidents and deaths. The multiple-effect evaporator became standard in sugar refineries worldwide and was later adapted for other industries, including petroleum refining and chemical processing.
Mary Anderson: The Windshield Wiper Inventor

derivative work: Londonjackbooks (talk), Public domain, https://commons.wikimedia.org/w/index.php?curid=8304645)
Mary Anderson, born in 1866, invented the windshield wiper in 1903 after observing streetcar operators struggling with snow and rain obstructing their view. During a visit to New York City, she noticed that streetcar drivers had to frequently stop to clear their windshields manually, which was both dangerous and inefficient. Her solution was a simple but effective device operated from inside the vehicle.
Anderson’s windshield wiper consisted of a rubber blade attached to a pivoting arm that could be operated by a handle inside the car. Although she received a patent for her invention, car manufacturers initially rejected it, claiming drivers would be distracted by the moving blade. Her patent expired in 1920, just as automobiles were becoming common and windshield wipers were recognized as essential safety equipment. Today, her invention is mandatory on all motor vehicles and has saved countless lives by improving visibility during inclement weather.
These twenty forgotten inventors demonstrate that innovation comes from the most unexpected places and people. Their stories remind us that behind every modern convenience lies a human being who saw a problem and refused to accept the status quo. From Mary Dixon Kies breaking gender barriers in 1809 to Ann Tsukamoto pioneering stem cell research in the 1990s, these inventors changed our world in ways we rarely acknowledge. Their legacies live on in the technologies we use daily, the safety systems that protect us, and the conveniences we take for granted. The next time you flip a light switch, drive through a traffic signal, or put on a bulletproof vest, remember—you’re benefiting from the genius of these forgotten heroes who dared to imagine a better world.

Christian Wiedeck, all the way from Germany, loves music festivals, especially in the USA. His articles bring the excitement of these events to readers worldwide.
For any feedback please reach out to info@festivalinside.com